新闻资讯
 
  企业新闻
当前位置:首页>>新闻资讯>>企业新闻
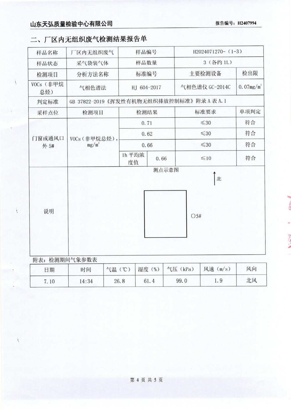
危险废物污染环境防治信息公开 发布日期:2024-09-16


销售热线:0631-8087999    传真:0631-8087898   邮箱:guantonggd@163.com
地址:山东省威海市南海新区青山路东、永兴路南
京ICP证000000号   鲁公网安备 37108102000095号